Welcome: YIWU SUPER FLYING TECHNOLOGY CO., LTD
Language: Chinese ∷  English
hotline
TEL:

Danny +86-13454196269

damper

    105 damper

    • Size: 22MM
    • Product description: 105 damper
    • INQUIRY

    plastic soft close damper of smart toilet seat lid


    1.Product picture:


    2.Product Intro:


    1.Torsion

    0-3N/m,adjust according to your demand

    2.Service life

    Over 50,000 times

    3.Biggest action angle

    115°→ -5°

    4.Soft closing performance

    115°→70°fast,70°→30°medium,30°→0°slow

    smooth falling and without noisy

    5.Maximum useful frequency

    30 cycle/minute

    6.Characteristic

    Easy to fix and unpacking ,torque adjustable, disaster prevention shell



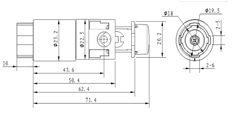
    3.
    Product Drawing:



    4.Detailed Parameters:

    1.Product material

    (1).body PBT
    (2).cap

    ABS chrome plated

    (3).shaft POM
    (4).vane POM
    2.Product patent No. ZL201220027709.7 ,  201210019135.3
    3.Damping oil dimethyl silicone oil
    4.Weight 67±2 g/set
    5.Direction clockwise,  counter-clockwise

    6.durability test

    Test method:opening up in 1″,

    free-falling when closing

    Test speed:5 cycles/minute

    Temperature:23℃±2℃

    Test torsion:2N/m

    3.png

    7.force durability test

    Test method:opening up in 1″,closing in 1″

    Test Angle:100°

    Test speed:30 cycles/minute

    test temperature:23℃±2℃

    Test torsion:2N/m

    4.png
    8.temperature VS. closing time test

    temperature characteristic:

    under the condition of the temperature in 23℃,

    time in 12″, torque in 2N/M,

    the test results obtained as follows:

    when the temperature drops, time increases;

    when the temperature rises, time reduces;

    5.png

    Temperature Characteristics:

    Resistance of the damper will change according to the ambient temperature.

    The temperature could affect the sealing damping oil fluidity.

    If the temperature is higher, the fluidity will be higher,

    and the resistance is lower, the fluidity will be lower.

    The suitable temperature range is -30° C to 80° C

    5.packaging&shipping


    Packing:Cartons,standard export packaging.For details,depending on your demands.

    Shipping: our products are mainly sent by sea or air from Shanghai or Ningbo Port.


    6.Our Services:


    1.We are a professional manufacturer, and our products have been accepted by internationally well-known enterprises.

    2.Every product we provide must pass a strict test.

    3.Every production line is strictly controlled.

    4.Over the years we have adhered to the "quality first, credit first, customer first, integrity-based" operating principles of market development.


    Contact Information:

    name: Danny
    Mobile: 0086-13063725688



    LATEST NEWS

    CONTACT US

    Contact: Danny

    Phone: Danny +86-13454196269

    Tel: Danny +86-13454196269

    Email: superflyingco@163.com

    Add: Industrial Park, Fulin Village, lingden Town,YIWU City,Zhejiang Province,China